Pompe de puisard
Quelle est la fonction d’une pompe de puisard
(sump pump)?
La pompe à puisard sert à l’évacuation de l’eau collectée du drain français et/ou de la nappe phréatique. Ces eaux pluviales sont collectées dans un bassin (synonymes : puisard, fosse de retenue, fosse de captation) et ensuite acheminées par la pompe de puisard soit dans le réseau municipal (égout sanitaire ou égout pluvial), soit dans un puits sec ou soit sur le terrain.
Les violentes tempêtes sont souvent accompagnées de pannes de courant. Une pompe de puisard de secours alimentée par une batterie peut s’avérer un investissement judicieux. Ce type de pompe est habituellement conçu de manière à pouvoir être posé à côté de la pompe principale. On trouve aussi des pompes de puisard de secours qui sont alimentées par l’eau de l’aqueduc municipal qui coule à travers la turbine de la pompe (pompe à venturi).
Puisque dans certaines situations une partie du plancher du sous-sol doit être démolie, et qu’il importe de bien situer les éléments, il est recommandé de retenir les services d’un entrepreneur en plomberie compétent pour l’installation de votre pompe de puisard.
Anglais : sump pump, synonymes français: pompe de relevage, pompe submersible.
Quel type de système de pompe de puisard (sump pump) vous faut-il?
Il existe 4 types de systèmes ou de montages. Bien entendu nous installons tous les types de montages et nous vous aiderons à choisir celui qui est adapté à votre bâtiment. Les voici :
![]() |
Pompe de puisard (sump pump) :
Pompe de puisard électrique dans une fosse de retenue.
|
![]() |
Pompe à batterie (pompe d’urgence) :
Pompe d’urgence qui utilise le courant 12V d’une batterie.
|
![]() |
Pompe à venturi (pompe d’urgence) :
Pompe d’urgence qui utilise le débit de l’entrée d’eau municipale.
|
![]() |
Système gravitaire (sans pompe) :
Sans pompe : l’eau du puisard s’écoule par gravité dans l’égout sanitaire ou l’égout pluvial.
|
Les avantages de confier l’installation de votre pompe de puisard (sump pump) à CHRONOS :
-
Service complet
Notre service est complet : protection des planchers là où les ouvriers circulent, cassage de béton, installation et ajustement de la pompe, réfection du béton, gestion des déchets et ménage. -
Conforme aux normes
Nos installations sont effectuées conformément au Code National du Bâtiment (CNB) et aux règlements municipaux spécifiques. -
Garantie transférable
Nous garantissons nos travaux par écrit. Notre garantie est transférable lors de la vente de l’immeuble. -
Assurance responsabilité
Nous sommes membre de la Corporation des Maîtres Mécaniciens en Tuyauterie du Québec (CMMTQ) et de la Régie du Bâtiment du Québec (RBQ). Notre assurance responsabilité est de 2 000 000$. -
Service après vente
Nous vous enseignons les bases du fonctionnement et de l’entretien de votre nouvelle pompe. Nous faisons un suivi une semaine après les travaux afin de nous assurer que tout fonctionne normalement et pour répondre à vos questions.
Inspection et entretient de la pompe de puisard
(sump pump)
-
Puisard
Nettoyez-le tous les ans à l’arrivée de l’hiver, après le gel. Les drains de fondations peuvent transporter de faibles quantités de sol, de sable et de débris jusqu’au puisard. - Une faible quantité d’eau dans le puisard peut dégager une odeur de moisi si elle stagne trop longtemps. Si c’est le cas, vous n’avez qu’à ajouter de l’eau fraîche jusqu’à ce que la pompe ait évacué l’eau stagnante.
-
Pompe de puisard
Vérifiez et mettez à l’essai la pompe tous les printemps avant le début de la saison pluvieuse, et avant de quitter la maison pour un long séjour. Versez de l’eau dans le puisard pour actionner la pompe. - Enlevez la pompe et nettoyez-la entièrement au moins une fois l’an. Débranchez la pompe avant de la manipuler ou de la nettoyer.
- Jetez un coup d’œil dans le puisard de temps en temps pour vous assurer qu’il est exempt de débris. La plupart des pompes sont dotées d’un tamis qui couvre la prise d’eau. Il faut le nettoyer périodiquement.
-
Tuyau de vidange de la pompe de puisard
Vérifiez l’emplacement du tuyau de vidange où ce dernier passe dans le mur de la maison. Si le tuyau se vide tout près du mur du sous-sol, l’eau s’infiltrera dans le sol jusqu’aux drains de fondation et se retrouvera de nouveau dans le puisard. - Examinez le débit de vidange pour vous assurer que rien ne vient obstruer le tuyau.
- Si la pompe fonctionne régulièrement en hiver vérifiez que la glace qui se forme n’engendre pas des conditions dangereuses sur la pelouse et le trottoir.
Schéma d'instalation typique : Pompe de puisard (sump pump)
Retour
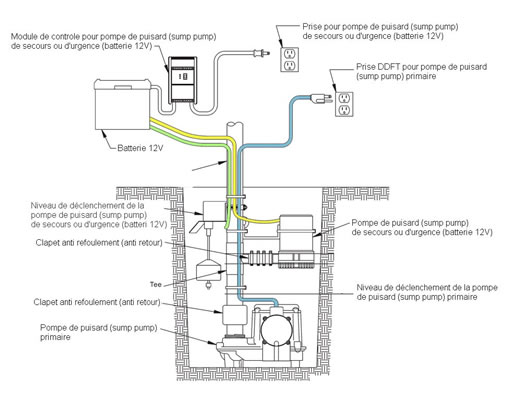
Schéma d'instalation typique : Pompe à batterie (pompe d'urgence)
Retour
Schéma d'instalation typique : Pompe à venturi (pompe d'urgence)
Retour
Schéma d'instalation typique : Pompe gravitaire (sans pompe)
Retour









